• Online only
Wacker throttle cable adjustment bing 33 0012259
  • Wacker throttle cable adjustment bing 33 0012259
  • Wacker throttle cable adjustment bing 33 0012259

Wacker throttle cable adjustment bing 33 0012259

15014826796075
£26.52
Quantity
5 Items

Description
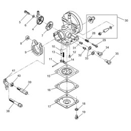
WACKER throttle cable adjustment BING 33 0012259 Item description:

Producer: German company WACKER

Catalog number: 0012259

Item no. 39 from the catalog card (second photo)

Application: WACKER rammers BS45Y BS52Y BS60Y BS62Y BS65Y

Original part, brand new.

Product Details
15014826796075
0012259
5 Items
New

Data sheet

Manufacturer
Wacker Neuson
Part Number
0012259
Machine Type
Compactor
Machine Brand
Wacker