• Online only
Wacker dpu vibration sealant replacement 0048854
  • Wacker dpu vibration sealant replacement 0048854
  • Wacker dpu vibration sealant replacement 0048854

Wacker dpu vibration sealant replacement 0048854

15014280166835
£39.52
Quantity
5 Items

Description
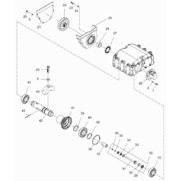
WACKER DPU BPU vibration wheel seal 0048854 Item description:

Replacement equivalent to the original.

Original catalog number: 0048854

Item no. 27 from the catalog card (second photo)

Size: 48x72x8 - high-temperature, double-lip simmering.

Application: WACKER DPU3545 DPU4045 DPU compactors 5045 DPU6055 BPU3545 BPU4045 BPU5045 DPU4545 DPU5545 DPU6555 and others

Brand new part.

Product Details
15014280166835
48x72x8
5 Items
New

Data sheet

Part Number
48x72x8
Original part number
0048854
Machine Type
Compactor
Machine Brand
Wacker, Other
Parts manufacturer
Wacker Neuson