• Online only
Top link pin 19 00 mm 25 4x18 mm cat 1
  • Top link pin 19 00 mm 25 4x18 mm cat 1
  • Top link pin 19 00 mm 25 4x18 mm cat 1
  • Top link pin 19 00 mm 25 4x18 mm cat 1

Top link pin 19 00 mm 25 4x18 mm cat 1

15013833474629
Vapormatic
£21.82
Quantity
5 Items

Description
Upper link pin 19.00 mm/25.4x18 mm Cat.1/2 1 pc. Vapormatic

Part number: K. VLK7045

EAN: 5035776868016

Unit: Piece

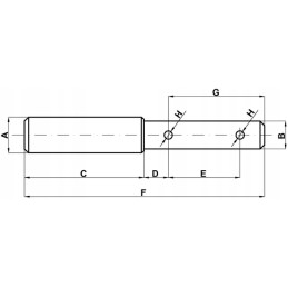
A,B Pin outer diameter: 19mm

Category:

1

2

FD total length pin: 168mm

Clength:

68mm

80mm

Bhead diameter: 25mm

Ddistance of the hole from the head : 68mm

Ehole spacing: 53mm

Hhole diameter: 6mm

Quantity in package: 1 pc.

Product Details
Vapormatic
15013833474629
K. VLK7045
5 Items
New

Data sheet

Manufacturer
Vapormatic
Part Number
K. VLK7045