• Online only
Hyster d001 e001 suspension link set
  • Hyster d001 e001 suspension link set
  • Hyster d001 e001 suspension link set
  • Hyster d001 e001 suspension link set
  • Hyster d001 e001 suspension link set
  • Hyster d001 e001 suspension link set
  • Hyster d001 e001 suspension link set

Hyster d001 e001 suspension link set

15013415411272
£490.20
Quantity
5 Items

Description
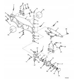
SUSPENSION LINKS SET FOR HYSTER FORKLIFT

HYSTER H1.50-1.75XM, H2.00XMS E001 SERIES

HYSTER H1.50-1.75XM, H2.00XM D001 SERIES

---

INCLUDED:

1. SUSPENSION CONNECTOR pos. 5x2

2. CONNECTOR PIN 17x68mm pos. 20x4

3. BUSHING IN THE KNUCKLE 17x23.5 h-22.6 pos. 21 x2

4. BUSHING IN THE ACTUATOR 17x23.5 h-19.6 x2

Product Details
15013415411272
2051108KPLX2
5 Items
New

Data sheet

Manufacturer
Jazgot
Part Number
2051108KPLX2
Product weight with unit packaging
8 kg
Trolley brand
Hyster, Yale