• Online only
Distributor 2s 80l pneumatic steering badestnost
  • Distributor 2s 80l pneumatic steering badestnost
  • Distributor 2s 80l pneumatic steering badestnost
  • Distributor 2s 80l pneumatic steering badestnost
  • Distributor 2s 80l pneumatic steering badestnost

Distributor 2s 80l pneumatic steering badestnost

15012762174677
Badestnost
£369.60
Quantity
5 Items

Description
2-SECTION HYDRAULIC DISTRIBUTOR P80, CONTROLLED BY PNEUMATICALLY OR LEVERSProduction:

Original product of the Hydrolider brand, manufacturer's symbol: 1.10.10.120

Application:

It is widely used in hydraulic systems in industrial machines and trucks and vehicles used in transport, agriculture, horticulture, forestry, construction and industry.

Used in vehicles and machines that have a pneumatic system equipped with a controller capable of controlling the hydraulic distributor.

Technical data:

Recommended oil flow in the hydraulic system: 0 - 80 l/min.

Example control: two double-acting cylinders.

Possibility of serial connection to an existing hydraulic system (pressure sleeve required).

Manual control:

Three-position levers (1 - 0 - 2), spring-loaded, i.e. they return to the vertical by themselves:

Neutral position 0 (lever set vertically), the actuator piston rod is standing - the oil goes to the overflow.

Working position 1 (lever set in a forward diagonal position), the actuator piston rod extends.

Working position 2 (lever set in a backward diagonal position), the actuator piston rod retracts.

Pneumatic control:

Neutral position 0 (no pneumatic pressure on the ports ) the actuator piston rod is standing - the oil goes to the overflow.

Working position 1 (pneumatic pressure on the first port), the actuator piston rod extends.

Working position 2 (pneumatic pressure on the second port), the actuator piston rod retracts.

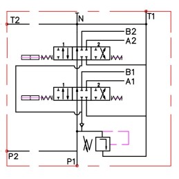
On the right side, the hydraulic diagram of the distributor:

PARAMETERS IN THE HYDRAULIC SYSTEM:Connection:

Supply from the pump (P1, P2): BSP 1/2'' internal thread

Return to the tank (T1, T2): BSP 3/4'' internal thread

Sections (A1, A2, B1, B2): BSP 1/2'' internal thread

Series connection (N): BSP 3/4' internal thread

Pressure range:

Maximum supply pressure: 250Bar

Maximum return pressure: 50Bar

Maximum pressure on sections: 300Bar

The opening pressure of the overflow valve increases proportionally with the increase in flow:

180 bar at 20 l/min

190 bar at 40 l/min

200 bar at 60 l/min

210 bar at 80 l/min

Sets for precise pressure measurement can be found in the Manometers - measuring sets section

It is recommended to check and set the appropriate pressure before starting.

Possibility of self-adjustment, full turn change by 30Bar.

Oil types recommended by AGRICOLA:

Thinner, high-quality oil: LOTOS AGROL BOXOL 26< p>

Thicker high-quality oil: FUCHS AGROFARM HYDRATEC HVI 46

Recommended oil temperature range:

Permissible ambient temperature: -40 C to +60 C

Permissible oil temperature: -15 C to +80 C

PARAMETERS IN THE PNEUMATIC SYSTEM:Connection:

Ports 1 and 2, internal thread in the body: BSP 1/8'

Pressure range:

Recommended air pressure 5 - 10 bar

Product Details
Badestnost
15012762174677
A1.10.10.120
5 Items
New

Data sheet

Manufacturer
Badestnost
Part Number
A1.10.10.120