• Online only
D28182682 hydrostatic transmission seal
  • D28182682 hydrostatic transmission seal
  • D28182682 hydrostatic transmission seal

D28182682 hydrostatic transmission seal

15012755640090
AGCO
£19.92
Quantity
5 Items

Description
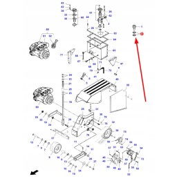
D28182682 Hydrostatic transmission seal PRODUCT DESCRIPTION:

Original seal used in the hydrostatic transmission of Massey Ferguson and Fendt combine harvesters.

Part catalog number: D28182682

Category: Hydraulics Hydraulic pumps

Parts manufacturer: Massey Ferguson

Substitutes:

Brand: Fendt,Massey Ferguson,Other

Fits the machine:< p>

Combine harvester >, Fendt >, 8370 P

Combine harvester >, Fendt >, 8380 P

Combine harvester >, Fendt >, 9470 X

Combine harvester >, Massey Ferguson >, 7280

Combine harvester >, Massey Ferguson >, 9280

Product Details
AGCO
15012755640090
D28182682
5 Items
New

Data sheet

Manufacturer
AGCO
Part Number
D28182682