• Online only
Cetop ng6 8s 12v p ha 8xe hydrolider distributor
  • Cetop ng6 8s 12v p ha 8xe hydrolider distributor
  • Cetop ng6 8s 12v p ha 8xe hydrolider distributor
  • Cetop ng6 8s 12v p ha 8xe hydrolider distributor
  • Cetop ng6 8s 12v p ha 8xe hydrolider distributor
  • Cetop ng6 8s 12v p ha 8xe hydrolider distributor
  • Cetop ng6 8s 12v p ha 8xe hydrolider distributor

Cetop ng6 8s 12v p ha 8xe hydrolider distributor

15012766759939
Hydrolider
£2,361.13
Quantity
5 Items

Description
HYDRAULIC DISTRIBUTOR, 8 SECTIONS, CETOP 03 NG6, ELECTRICALLY CONTROLLED 12V, IN A SET WITH PANEL AND CABLE HARNESS. Production:

Original product of the Hydrolider brand, manufacturer's symbol: 1.10.60.081

Application:

It is widely used in hydraulic systems in agriculture, horticulture, forestry, construction and broadly understood industry.

The distributor is adapted to various types of machines such as: agricultural machines, tractors, sprayers, aurochs, cyclops, HDS loaders, construction machines, loaders, excavators, sweepers, industrial machines and other devices with a hydraulic system.

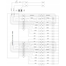
The panel allows you to control the starting section and eight working sections in the CETOP electrically controlled hydraulic distributor. A set of cables enabling the electrical connection of all sections of the manifold with the control panel.

Technical data:

The set includes: valve block, relief section, eight manifolds, a set of connections with an M18x1.5 output and a panel control unit with cable harness.

Recommended oil flow in the system: 0 - 50 l/min.

Example control: eight double-acting cylinders.

Material:

Distributor body and steel sliders, electrical plugs and plastic tightening nuts, steel or aluminum block depending on the batch, plastic panel.

GENERAL FEATURES OF THE DIVIDER: Principle of operation:

The splitter has one starting section and eight working sections. The starting or unloading section is necessary, it is intended to relieve the pump when we do not control any working section of the distributor.

No working section will work if no current is passed to the starting section, therefore the electrical connection must be configured in such a way that each electrical signal sent to the working section must simultaneously reach the starting section.

Control:

The starting section slider is two-position (0 - 1), spring-loaded, i.e. it returns on its own to the neutral position after cutting off the power supply. When the slider is in the neutral position, the oil flows to the overflow, the pump is then relieved.

Principle of operation of the slider:

Position 0 neutral (current supply to the coil cut off) is not possible obtaining pressure on the working sections.

Working position 1 (power supply to the coil open) allows obtaining pressure on the working sections.

The working section slider has three positions (1 - 0 - 2), on spring, i.e. it returns to the neutral position after cutting off the power supply.

Principle of operation of the slider:

Neutral position 0 (the power supply to both coils is cut off) the actuator piston rod is standing - the oil goes to overflow.

Working position 1 (power supply only to the first coil), the actuator piston rod extends.

Working position 2 (power supply only to the second coil), the actuator piston rod retracts.

On the right, hydraulic diagrams, from the top a diagram of the starting section and below a diagram of the working sections:

Current:

Power supply direct current (DC) 12V

Connection (internal threads in the body):

Supply from the pump (P): BSP 1/2'' internal thread

Return to the tank (T): BSP internal thread 1/2''

Sections (A1, A2, A3, A4, A5, A6, A7, A8, B1, B2, B3, B4, B5, B6, B7, B8): BSP internal thread 3/8''

Pressure range:

Maximum supply pressure: 250Bar

Maximum return pressure: 50Bar

Maximum pressure on sections: 300Bar

The overflow valve is factory set to 175Bar

Possibility of self-adjustment, full turn change by 30Bar

Oil types recommended by AGRICOLA:

Thinner high-quality oil: LOTOS AGROL BOXOL 26

Thicker high-quality oil: FUCHS AGROFARM HYDRATEC HVI 46

Recommended oil temperature range:

Permissible temperature ambient: -40 C to +60 C

Permissible oil temperature: -15 C to +80 C

GENERAL FEATURES OF THE CONTROL PANEL: All up and down switches with automatic centering (1- 0-2) without latch.

Each panel is sold complete with a two-meter power cable and a combined four-meter cable with plugs connecting the panel with the distributor. We also have sets of extension cables of 3m, 6m or 10m, which are available at other auctions.

When any switch is on, the signal is simultaneously transmitted to an additional pair of wires, which can be used to activate the warning signal (horn , cock) or the coil of the unloading valve (CETOP type distributors), possibly for switching on the pump via a relay.

Important!!!

Agricola sets have been designed in such a way that they can be it was easy to assemble myself. Due to the safety of the goods during transport and restrictions resulting from the regulations of courier companies, the set is sent untwisted. The set includes precise, pictorial assembly instructions along with a list of individual elements included in it.

Product Details
Hydrolider
15012766759939
A1.10.60.081
5 Items
New

Data sheet

Manufacturer
Hydrolider
Part Number
A1.10.60.081
Product weight with unit packaging
31.834 kg