• Online only
Hatz 1d81 injection pump 02266300 npfe1q80 504
  • Hatz 1d81 injection pump 02266300 npfe1q80 504
  • Hatz 1d81 injection pump 02266300 npfe1q80 504

Hatz 1d81 injection pump 02266300 npfe1q80 504

15014645008482
Hatz
£806.04
Quantity
5 Items

Description
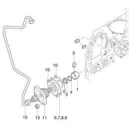
HATZ 1D81 injection pump 02266300 NPFE1Q80-504 Item description:

Producer: German company HATZ

HATZ catalog number: 50492802 = 02266300

NEW DIESEL catalog number: NPFE1Q80-504

BOSCH catalog number: PFE1A80S3015 0414287016

Item no. 11 from the catalog card (second photo)

Application: HATZ 1D81

engines The pump is brand new.

Product Details
Hatz
15014645008482
02266300
5 Items
New

Data sheet

Manufacturer
Hatz
Part Number
02266300
Original part number
02266300
Machine Type
Compactor
Machine Brand
Bomag, Wacker, Other