• Online only
Hatz 1d41 1d81 camshaft bearing 03793800
  • Hatz 1d41 1d81 camshaft bearing 03793800
  • Hatz 1d41 1d81 camshaft bearing 03793800

Hatz 1d41 1d81 camshaft bearing 03793800

15014741822536
Hatz
£41.04
Quantity
5 Items

Description
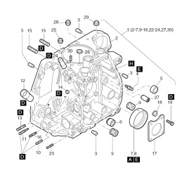
HATZ 1D41 1D50 1D81 camshaft bearing 03793800 Item description:

Producer - German company HATZ.

Catalog number: 03793800

Bearing mounted in the engine block Item no. 5 from the catalog card (second photo)

Application: HATZ engines 1D30 1D31 1D41 1D50 1D81 1D90

Original bearing, brand new.

Product Details
Hatz
15014741822536
03793800
5 Items
New

Data sheet

Manufacturer
Hatz
Part Number
03793800
Machine Type
Other
Machine Brand
Other