• Online only
Transformer 1va fritec bv 3224 0 230 24v 42ma
  • Transformer 1va fritec bv 3224 0 230 24v 42ma
  • Transformer 1va fritec bv 3224 0 230 24v 42ma

Transformer 1va fritec bv 3224 0 230 24v 42ma

15012450802206
£11.29
Quantity
5 Items

Description
Transformer 1VA FRITEC BV 3224-0 230/24V 42mA.

Parameters:

Primary voltage: 230 V

Secondary voltage: 24 V

Power: 1 VA

Secondary winding current: 42 mA

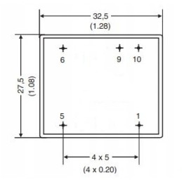
dimensions: 32.5x27, 5x24 mm

weight: 82g

assembly: PCB

primary winding pins: 1 - 5

secondary winding pins: 9 - 10

thermal class: Ta40E

Product Details
15012450802206
5 Items
New

Data sheet

Producer
other (Fritec)
Producent code
BV 3224-0
Symbol
BV 3224-0